Super FDA - A 200W Fully Differential Class AB Amplifier with -135dB THD
đ AI Assistance Disclosure (click to expand)
This technical documentation has been proofread by Claude-Sonnet-4 for readability, grammar, and formatting consistency. All technical content, project details, circuit designs, measurements, and conclusions have been verified and approved by the author.
Interested in my personal writing style? Check out my Stories & Writing for 100% human-authored content.
Project Overview
Super FDA (Fully Differential Amplifier)
release date: 2025-04-20
last updated: 2026-01-25
This project is made possible with the help of my friend BH4GEX,
who initiated the LDO architecture and rev2 layout
This project aimed to develop a 200W fully differential Class AB amplifier that achieves exceptionally low distortion and high efficiency. The circuit can dynamically shift among 4 feedback architectures and 2 input stages, achieving as low as -135dB THD and -116dB THD+N.
Key Achievements:
- Designed and fabricated 5 PCB iterations, successfully launched product to market and generated over $1,000 in revenue
- Engineered innovative MOSFET bias compensation circuit that reduced crossover distortion, achieving -105dB open-loop THD+N
- Implemented fully differential architecture, realizing 80Vpp output within ±24V supply and supporting remote common-mode feedback to eliminate interferenceâa reformatory approach compared to traditional amplifiers. Patent application pending.
- Developed high-power linear LDO architecture achieving 10A output with only 2.5V dropout voltage. Patent application pending.
Motivation: Bridging Efficiency and Fidelity
Class D amplifiers offer impressive efficiency, but distortion is an unavoidable trade-off. Even with post-filter feedback, the audio quality simply cannot match traditional Class AB amplifiers. This led me to wonder: Is there a way to build a compact, high-efficiency Class AB amplifier?
The answer came when I discovered ADI's newly released ada4938-2 fully differential op-amp. A thought struck me: Why hasn't anyone built an ultra-high-power fully differential Class AB amplifier?
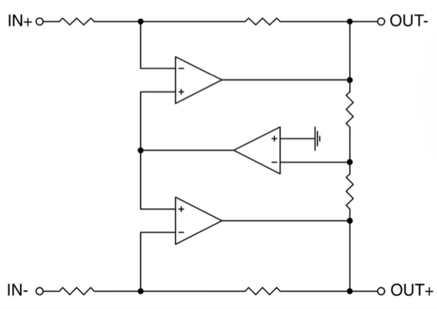
The Fully Differential Architecture
The structure of a fully differential amplifier can be simplified as shown below:
The implementation is elegantly straightforward:
- Add a differential input stage (to provide gain)
- Replace the two amplifying op-amps with conventional single-ended power amplifier circuits
- Connect the servo amplifier output to the input stage's fully differential op-amp VOCM pin
That's all there is to it!
Here's what makes this architecture remarkable: with a ±24V input, the theoretical output can reach 96Vpp! This might sound counterintuitive at first, but consider thisâwhen one module outputs +48V relative to the negative rail, the other module outputs -48V relative to the positive rail. The differential output is the sum: 96V peak-to-peak. Truly remarkable!
Furthermore, this common-mode feedback architecture inherently cancels distortion caused by component mismatching between the two channels.
Circuit Architecture
Single-Ended Power Module Design
Following this concept, I first designed the single-ended power amplifier module. It's essentially a MOSFET push-pull stage driven by an op-amp, with a key innovation: a small-ratio feedback from the current mirrors at both MOSFET source terminals compensates for crossover distortion.
The detailed theory behind this technique can be found in this IEEE paper:
https://ieeexplore.ieee.org/document/9381527
Complete System Integration
Two of these single-ended amplifier modules are connected after a fully differential input stage built around the ada4893. The outputs cross-feedback to each other's input terminals (common-mode feedback), and the servo amplifier output connects to the VOCM pin of the input stage. The current feedback mode made complex loop stable.
With proper common-mode and differential-mode compensation, the gain margin is excellentâthe system remains stable up to 1MHz!
Four Selectable Feedback Architectures
To facilitate debugging and experimentation, I incorporated two relays that allow free selection among feedback configurations:
| Mode | Description |
|---|---|
| Open Loop | Only MOSFET bias compensation active |
| Small Loop Only | Each single-ended power module feeds back locally |
| Large Loop Only | Power outputs cross-feedback to the differential input stage |
| Hybrid Feedback | Both small-loop local feedback and large-loop common-mode feedback active |
Optional Ultra-Low-Noise JFET Input Stage
Taking the design even further, I added an optional input stage based on the JFE2140 ultra-low-noise JFET, also selectable via relay.
This gives the board a total of eight hardware-selectable sound profiles!
Design Features
The PCB includes several thoughtful engineering touches:
- XT90 2+2 Terminals: Thanks to the excellent phase and gain margins, remote feedback lines can be connected directly from the speaker terminals to further reduce distortion
- TPS7A39 Ultra-High PSRR Dual LDO: Powers the op-amps with exceptional power supply rejection
- BCM546/556 Matched Transistor Pairs: Ensures precise matching in critical differential stages
- IRFP240/9240 Power MOSFETs: Affordable and reliable workhorses
- Output Protection Relay & Common-Mode Choke: Filters out the last traces of noise
- Generous Capacitor Footprints: Reserved space for audiophile-grade capacitorsâI personally favor ELNA's Cerafine and Silmic II series!
PCB Evolution
Version 1.0: The First Attempt
My initial layout measured a hefty 20Ă10cmâfunctional, but not compact enough for my standards.
Version 2.0: 50% Size Reduction
After another week of intensive layout work, I managed to compress the board area by 50%!
Version 2.2: The Final Design
The compact layout made high-power routing challenging. Despite using a 4-layer board, managing two main high-current power rails plus five auxiliary supply rails required significant effort.
Assembly
After PCB fabrication, the soldering process yielded beautiful results!
Innovative MOSFET Mounting Solution
To save space, I folded the MOSFETs onto the back of the PCBâeffectively sandwiching them between the PCB and the heatsink. With the heatsink attached, the complete assembly measures just 10Ă10Ă5cm while delivering 200W of output power!
Power Supply Development
A compact, high-performance amplifier demands an equally compact, high-performance power supply. Switching power supplies inevitably introduce noise, so I needed to develop an equally compact linear LDO solution.
First Approach: Paralleled TPS7A47/33
My initial solution paralleled five TPS7A47/33 regulators to achieve 5A capacity.
Despite adding balancing resistors, some chips were "slacking off" due to slight output voltage mismatches. I had to add individual trimmer potentiometers to precisely adjust each regulator's output.
The Disaster
After painstakingly soldering the board, it failed shortly after power-up! A cold solder joint on a compensation capacitor caused unstable high-frequency oscillation in the feedback loop. The fragile TPS7A47 chips were instantly destroyed by the massive current surge (I had a load connected).
The Custom High-Current LDO
With no choice but to start over, I designed a completely custom high-current LDO.
The main challenge was reducing the dropout voltage. For detailed information, see my "MEGALDO" project page.
The clever solution connects the TPS7A47 with an external low-Vth MOSFET in a Darlington-like configuration:
This architecture achieves >60dB PSRR at 20A output with only 2.5V dropout!
Final Assembly & Testing
With the power supply complete, I could finally test the full system!
The sound quality is delightful! Each feedback mode and input stage configuration offers a distinct sonic character.
Test Conditions
Due to ADC clipping limitations in my measurement setup, all tests were conducted at -10dBFS source level (at which point the ADC was already at 0dBFS). Theoretically, THD, SNR, and other metrics could improve by an additional 10dB at full scale. Load: 100W resistive.
Open Loop Mode
Surprisingly, even in open loop, the amplifier achieves -104.6dB THD+N! The FFT reveals the rich third-harmonic content naturally produced by the MOSFET power stageâthis mode offers the most natural, organic sound character. Personally, my favorite mode!
Small Loop Feedback Mode
With the feedback loop at its minimum, this configuration achieves the lowest THDâtheoretically reaching -132.7dB!
Large Loop Differential Feedback Mode
While THD is about 2dB worse than small loop mode, IMD improves by a substantial 10dB.
Hybrid Feedback Mode
Combining the benefits of both configurations, this mode sacrifices a small amount of THD for dramatically improved IMD performance.
Additional Measurements
All measurements at -10dBFS source level:
100Hz Single Tone:
10kHz Single Tone:
SMPTE IMD (Dual Tone):
Specifications Summary
| Parameter | Value |
|---|---|
| Output Power | 200W (8Ω) |
| Supply Voltage | ±24V |
| Maximum Output Swing | 80Vpp (differential) |
| THD (-10dBFS) | -125dB |
| THD+N (-10dBFS) | -106dB |
| Open-Loop THD+N | -105dB |
| Feedback Modes | 4 selectable |
| Input Stages | 2 selectable (JFET@JFE2140/BJT@ADA4938-2) |
| Dimensions | 10Ă10Ă5 cm |
Future Plans
- CNC Enclosure: Design a proper aluminum chassis for the complete system
- Full-Scale Testing: Recalibrate the measurement ADC and conduct tests at 0dBFS to reveal true performance limits
- Commercialization: Continue selling kits and assembled units to the audiophile community
Resources
- Schematic: Available on request
- PCB Files: Contact for licensing information
- Purchase: DM me on Bilibili for kit or assembled unit pricing
Have questions about this project? Feel free to reach out via the Contact page or my Bilibili channel.







